Simcoe Skies Astronomy

PICfocus Electronic Focuser

UPDATE - Feb/07

A new JMI crayford focuser, a new way of mounting the motor, a new program, a piggyback project box, and a tiny new WIRELESS focus controller with a 500m range. This means I can clip the focuser controller to my belt loop and stop tripping over the extra wire! New features (much more expandable due to a different PIC):
  • 8 presets
  • 4 speeds (fast, med, slow, single step)
  • programmable speed reference for different gear ratios
  • simple friction clutch mechanism for quick disengaging (manual control)
  • aux control function for 2 servos or 2 digital (on/off) control outputs
  • includes ASTROSNAP autofocus input mode

Click *HERE* for the updated version!
or scroll down to continue with the old version
Picfocus
click image to enlarge

PICfocus (revised) - version 4.09

Right-click here, and "save target link as" to download a short video of PICfocus in action (627k file)

Version 4.09 changes:
  • you must now hold the MODE button in for 10 seconds to change to the next mode (to avoid inadvertent mode changes during single stepping)
  • the fast speed has been reduced to 50 steps per second to reduce "slipping"
Version 4.08 changes:
  • an important update from version 4.07; a critical bug that rendered the focuser "dead" upon arrival at the limit switch (which it does at powerup) has been fixed
  • increased the number of available presets from 5 to 10


Homemade Electronic Focuser

One of the LXD-55 SN's drawbacks is the stock focuser, with which fine focusing is very difficult. I bought a helical fine focuser to try to solve this problem and although it would probably be fine for visual observing, it didn't cut the mustard for imaging for a couple of reasons:
  • The helical focuser has "play" in it
  • The camera/eyepiece ROTATES as you adjust it, throwing off your orientation
  • Any time you touch the scope, you introduce some vibration and have to wait for it to stop before analyzing the result
  • It's difficult to view the image on the computer screen at the same time as you perform the fine focusing AT the scope
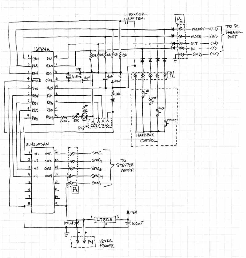
I contacted Mike Gray (a fellow LXD-55 SN owner), after deciding to build an electronic focuser similar to the one he posted on his website. I wanted a "stand alone" focuser that could also be controlled from the computer if desired, with a couple of added new twists (onboard storable presets and intelligent local control via a PIC microcontroller). I proceeded to write the PIC code using PICBASIC PRO from MELABS, and chose the "standard" PIC 16F84A microcontroller with 1024 bytes of program code space as the brains of the unit. I used the EPIC programmer (again from MELABS) to physically program the PIC. I've made the PIC hex code available here so that all you need is a PIC programmer (or a friend with one) to get one of these suckers programmed for your own PICfocus. If you don't know anyone with a PIC programmer, email me if you'd like a quote on sending you a preprogrammed PIC in the mail.
The PICfocus features include:
  • non-invasive mounting technique
  • focuser travel resolution of 0.0018" per step (measured with 5:1 gear ratio)
  • unlike a worm gear design, the hardware maintains the ability to focus manually with the focuser knob when PICfocus is powered down without having to release any type of latching mechanism (although once you try PICfocus you'll probably never want to focus manually again!)
  • a 4-switch hand controller for local control
  • single step, slow step (10sps), and fast step (100sps) control
  • 10 storable/recallable presets in non-volatile memory
  • single step (normal), half step (2x resolution), and dual coil (high torque) modes
  • PC controllable (program pending) via a legacy parallel port (uses the control status byte port, not the standard data byte port, soas not to conflict with LX webcams)
  • compatible with the Bonduelle interface in Astrosnap for AUTOFOCUS control
  • 3 "accessory" outputs that can be configured for PC control of other accessories (example: x/y axis motor control for positioning a guidescope)
  • 2 of these 3 accessory outputs can be used to directly control RC servos (which may be modified for continuous rotation)


Notes: After construction and implementation, I noted a small amount of "play" or backlash (there's that old Meade term) in the gears; there was a very slight difference in positioning depending on which direction the final position was approached from (not an issue for visual observing but more important for imaging). This was reduced to 1 step of the motor by ensuring the gear mesh was as close as possible.

motor mounting | electronics assembly | schematic | PIC program | HEX code | PC program | operation


back to main page