Simcoe Skies Astronomy

PICfocus Electronic Focuser
Current Version is 5.05



click to enlarge

UPDATE - July/08

If you're looking for the older, hardwired version of my PICfocus, click here.

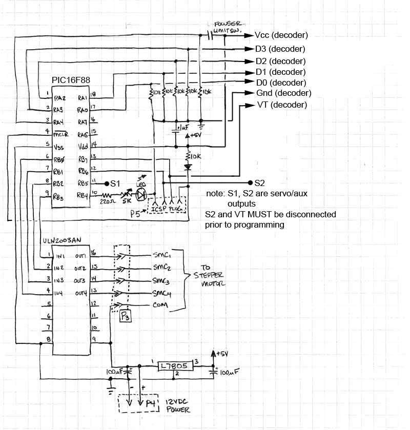
I have upgraded the PICFOCUS project to use with a JMI crayford focuser, with a new program, and a piggyback project box to house the receiver and decoder for a tiny new WIRELESS focus controller with a 500m range. This means I can clip the focuser controller to my belt loop and stop tripping over the extra wire! New features (much more expandable due to a different PIC):

  • 8 presets
  • 4 speeds (fast, med, slow, single step)
  • programmable speed reference for different gear ratios
  • simple friction clutch mechanism for quick disengaging (manual control)
  • aux control function for 2 servos or 2 digital (on/off) control outputs
  • includes ASTROSNAP autofocus input mode
  • implements BACKLASH compensation for the focuser geartrain in single step and focusASSIST mode
  • includes focusASSIST - when used with a program like K3CCDtools with FFT star analysis, it performs a user-assisted incremental search for best focus

Much has been learned since I started the original PICfocus project:
  • reference points (presets) change after each collimation, making them helpful for single night use only
  • UNLESS you're imaging, or have a lot of settling time after touching the focuser, manual focus is faster
  • if there is any significant gearing ratio for fine control via a motorized focuser, you need a clutch mechanism to disengage the motor for manual focusing use (implemented)
  • a hardwired focuser controller is yet another trip hazard, another item to fall to the ground, and another nuisance to connect/disconnect (fixed with wireless mode)
  • backlash in the gear train is a potential issue when changing direction and trying to find the best focus (fixed in software)

In short, most users will want a motorized focuser ONLY if they're doing astrophotography.

The wireless remote and receiver were ordered from Ebay for under $20, see link to vendor.
Note that this is the 8-button remote with momentary output receiver, without relays.

For a full description of the remote control functions, see the detailed comments at the beginning of the PIC program listing.


motor mounting | electronics assembly | schematic | remote receiver multiplex schematic | PIC program | HEX code |


back to main page